
产品介绍
JMZ系列精密计量泵--产品概述:
可调计量范围:0-560L/H
最大压力范围:0-0.6MPa
驱动方式:电机驱动
控制方式:手动、自动控制(可接收4-20mA信号来调节流量)
1、铸铝壳体,散热性能高,整体重量轻,适用各种酸碱药液,无毒无味。
2、采用偏心曲轴机构。
3、接触介质泵头为PVC、可选PTFE、及不锈钢材质。
4、性价比高,普遍适用于,压力要求不高的水处理行业。
5、在泵运行或停止时也可任意调节流量也可定量输出。
6、隔膜为多层复合结构压制而成,第一层超韧性Teflon耐酸薄膜,第二层EPDM弹性橡胶,第三层厚度3.mm SUS304支撑铁芯,第四层采用强化尼龙纤维补强,第五采用EPDM弹性橡胶完全包履,可有效提升隔膜使用寿命。
JMZ系列精密计量泵--参数:
| 泵头部位材料 | 工作条件 |
| 计量泵头: 聚氯乙烯、SUS304、SUS316、聚四氟乙烯 | 环境温度: -30℃ ##-90℃ |
| 计量阀: 聚氯乙烯、SUS304、SUS316、聚四氟乙烯 | 电机: 二相、三相标准电机或防爆电机 |
| 阀球: 二氧化硅、SUS304、SUS316、陶瓷 | 功率:0.55 |
| 密封: 聚四氟乙烯、聚氯乙烯 | 防护等级:IP54 |
JMZ系列精密计量泵--性能参数:

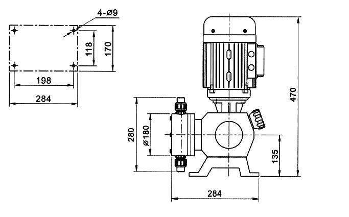
安装尺寸:
本数据仅供参考。
JMZ系列精密计量泵外形安装尺寸图:






