
产品介绍
JYD系列液压隔膜式计量泵产品概述:
计量泵的液力端借助于隔膜来组成工作腔,以隔膜周期性变形来代替活塞(柱塞)的往复运动的泵,称为液压隔膜泵。
JYD系列液压隔膜式计量泵产品特点:
1、无动密封,无泄漏,维修简便:
2、工作压力可达30MPa,计量精度可达±1%;
3、计量精度优于机械隔膜泵,密封性能优于柱塞泵;
4、流量大小控制通过调节;中程长度和变频器调速来实现,配:中 程调节器可以实现远程自动控制;
5、介质的使用温度不宜超过100℃,不宜低于-30℃,否则影响隔膜的使用寿命;
6、应用先进过载、限位、补油三阀机构,即保证液压腔内液压油的满足,又避免补油过量,防止液压;中击,从而使隔膜两侧受力平衡,提高隔膜的使用寿命,隔膜寿命可提高到8000h以上;
7、 在输送特殊介质时,可采用双隔膜带隔膜破裂报警装置,防止隔膜破裂时,介质与液压油混合引起事故。
JYD系列液压隔膜式计量泵性能参数:
本数据仅供参考。
| 型号 | 流量(L/H) | 压力(Mpa) | 柱塞直径(mm) | 行程(mm) | 泵速(mm) | 电机功率(kw) | 进出口径(DN) | 重量(kg) |
| JYD 40/40 | 40 | 40 | 16 | 40 | 100/150 | 4 | 10 | 200 |
| JYD 40/30 | 40 | 30 | 3 | |||||
| JYD 65/28 | 65 | 28 | 20 | 4 | ||||
| JYD 65/20 | 65 | 20 | 3 | |||||
| JYD 100/28 | 100 | 28 | 4 | |||||
| JYD 100/20 | 100 | 20 | 3 | |||||
| JYD 160/18 | 160 | 18 | 25 | 4 | 15 | 210 | ||
| JYD 160/13 | 160 | 13 | 3 | |||||
| JYD 265/11 | 265 | 11 | 32 | 4 | ||||
| JYD 265/8.0 | 265 | 8.0 | 3 | |||||
| JYD 340/8.5 | 340 | 8.5 | 36 | 4 | ||||
| JYD 340/6.5 | 340 | 6.5 | 3 | |||||
| JYD 420/6.8 | 420 | 6.8 | 40 | 4 | 20 | 220 | ||
| JYD 420/5.4 | 420 | 5.4 | 3 | |||||
| JYD 540/5.6 | 540 | 5.6 | 45 | 4 | ||||
| JYD 540/4.2 | 540 | 4.2 | 3 | |||||
| JYD 670/4.5 | 670 | 4.5 | 50 | 4 | ||||
| JYD 670/3.5 | 670 | 3.5 | 3 | |||||
| JYD 820/3.8 | 820 | 3.8 | 55 | 4 | ||||
| JYD 820/2.8 | 820 | 2.8 | 3 | |||||
| JYD 985/3.2 | 985 | 3.2 | 60 | 4 | 25 | 240 | ||
| JYD 985/2.4 | 985 | 2.4 | 3 | |||||
| JYD 1160/2.6 | 1160 | 2.6 | 65 | 4 | ||||
| JYD 1160/2.0 | 1160 | 2.0 | 3 | |||||
| JYD 1350/2.3 | 1350 | 2.3 | 70 | 4 | ||||
| JYD 1350/1.6 | 1350 | 1.6 | 3 | |||||
| JYD 1550/2.0 | 1550 | 2.0 | 75 | 4 | 32 | 256 | ||
| JYD 1550/1.4 | 1550 | 1.4 | 3 | |||||
| JYD 1800/1.8 | 1800 | 1.8 | 80 | 4 | ||||
| JYD 1800/1.2 | 1800 | 1.2 | 3 |
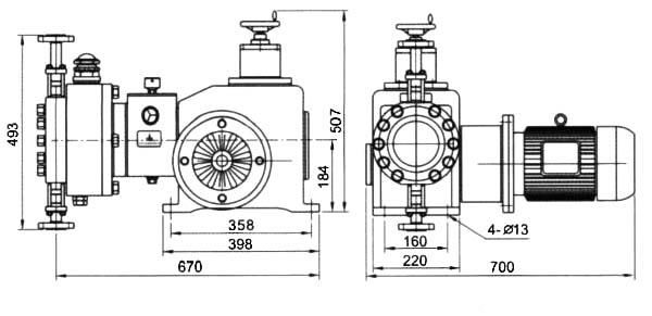
安装尺寸:
本数据仅供参考。
JYD系列液压隔膜式计量泵的外形安装尺寸图

JYD系列液压隔膜式计量泵适用范围:
JYD系列液压隔膜式计量泵适用于由一般的常温清水直至具有强腐蚀,易挥发、已结晶、易燃、易爆、剧毒、恶臭、腐蚀性强,比重大、中等粘度,有放射性或其它贵重液体等。同时也可输送悬浮液体,对一些为防止隔膜破裂后,介质与液压油混合引起事故,对易燃易爆、剧毒及贵重液体时,可选用双隔膜计量泵并带隔膜破裂报警装置。





